O jumbo de perfuração hidráulica HT70-B é um equipamento projetado para a perfuração de furos médios a profundos em túneis subterrâneos de pequena seção. Ele é adequado para a perfuração de furos paralelos, verticais ou inclinados, bem como de furos de detonação em forma de leque.
Ele é equipado com stingers duplos estáveis, um indicador de ângulo de alta precisão e um console de controle remoto ergonômico. Essas características, combinadas com um perfurador hidráulico eficiente, garantem operações de perfuração seguras, precisas e confiáveis. A lança de alta estabilidade proporciona posicionamento preciso e alta precisão na perfuração, ajudando a reduzir a diluição do minério.
| Jumbos de perfuração hidráulico | Seção transversal adequada | 2800×2800 - 4000×4000mm |
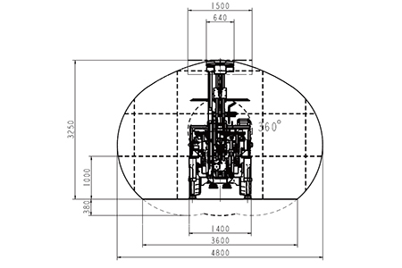
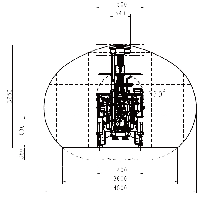
| Dimensões (C x L x A) | 4150×1400×2200mm | |
| Distância ao solo | 280mm | |
| HT70B(CYTC70B) | Raio mínimo de rotação | Interno 2100 mm / Externo 3500 mm |
| Capacidade de classificação | 14° | |
| Peso total | 5500 kg | |
| Perfurador hidráulico RC2200 | Potência de percussão | 21 kW |
| Frequência de percussão | 55 Hz | |
| Pressão de impacto | 200 bar | |
| Sistema de rotação | Rotação independente | |
| Velocidade de rotação | 0-285 r/min | |
| Torque rotativo máximo | 720 N.m | |
| Sistema de alimentação | Comprimentos de alimentação | 2550 / 2770 / 3000 mm |
| Rosca da haste de perfuração | T38 / T45 | |
| Comprimento da haste de perfuração | 800 / 915 / 1220 mm | |
| Peso de alimentação | 800/950/1050 kg | |
| Força de alimentação | 13 kN | |
| Capacidade de armazenamento da haste | 14+1 (T38) / 12+1 (T45) | |
| Sistema elétrico RC2200 | Potência total | 87,5 kW |
| Motor elétrico principal | 75 kW | |
| Tensão | 380 V (opcional) | |
| Compressor de ar | Modelo | GCU11 |
| Deslocamento de ar (8 bar) | 1 m³/min | |
| Tensão | 380 V (opcional) | |
| Lança | Curso de compensação | 900 mm |
| Ângulo de rotação da alimentação | 180° | |
| Ângulo de inclinação | Para a frente -30°, para trás +65° | |
| Peso da lança | 750 kg | |
| Faixa de furos paralelos | 1500 mm | |
| Sistema hidráulico | Capacidade do tanque de óleo | 120 L |
| Finesse do filtro | 10 μm | |
| Sensor | Sensor de pressão diferencial para filtro de óleo hidráulico | |
| Bomba | Bomba de óleo manual | |
| Chassi | Oscilação do eixo traseiro | 7° |
| Pneus | Dianteira: 8,25-10 | |
| Traseira: 6,5-10 | ||
| Tração | Tração dianteira | |
| Direção | Direção traseira | |
| Freio | Freio de serviço / freio de estacionamento |
A Huatai é uma empresa chinesa especializada no design e produção em lote de equipamentos de perfuração de rochas. Desde a sua fundação em 2000, a empresa tem se dedicado à fabricação de produtos de ponta e ao fornecimento dos mais altos níveis de serviço ao cliente para diversas empresas dos setores de mineração, metalurgia e engenharia de fundações.
A Huatai alcançou uma transcendência contínua e preencheu várias lacunas no mercado doméstico através de 20 anos de inovação e desenvolvimento no setor de mineração subterrânea e perfuração de rochas. Hoje, nossa linha de produtos inclui mais de 30 tipos de máquinas de perfuração de rochas para minas, divididas em três categorias: equipamentos de mineração subterrânea, equipamentos para mineração de carvão e jumbos de perfuração de poços. Anos de crescimento constante e aprimoramento resultaram em uma conquista respeitável na indústria doméstica de máquinas de perfuração de rochas, aumentando a segurança, eficiência e custo-benefício para operações de engenharia subterrânea e construção de túneis.
A Carreta de Perfuração Hidráulica de Poço GYSJZ é uma máquina de perfuração especializada e de alto desempenho, desenvolvida para atender às demandas de escavação de poços verticais profundos em rochas duras. A máquina é alimentada por um motor robusto de 132kW e equipada com três martelos hidráulicos pesados, permitindo a perfuração de diâmetros de 4 a 6 metros.
Mais +
A carreta de perfuração de poços YSJZ é um tipo de máquina de perfuração de rochas especialmente projetada para a construção de poços verticais em minas de ferro e metais não ferrosos. Trata-se de uma excelente alternativa para ser utilizada em projetos de mineração e construção subterrânea, onde outros métodos de perfuração não podem ser adotados devido a limitações técnicas ou econômicas.
Mais +
A série SJZ de perfuratriz de eixo vertical é um equipamento especial para perfurar furos de desmonte na construção de poços verticais. Ele é adequado para uma ampla gama de diâmetros de poços e possui características como operação flexível, posicionamento preciso e segurança confiável. É alimentado por ar comprimido, transmitido por um sistema hidráulico, e todos os movimentos do suporte de perfuração são mecanizados.
Mais +
Projetado especificamente para formações rochosas de dureza média, o martelo hidráulico RC600 oferece perfuração potente e precisa em uma ampla gama de aplicações exigentes. Seu design robusto e capacidades versáteis fazem dele a escolha ideal para perfurações de suporte em mineração subterrânea, instalação de tirantes, construção de rodovias, engenharia de pontes e projetos de construção complexos.
Mais +